碳纤维增强碳及其与羟基磷灰石复合种植体骨界面
作者:滕 伟 米乃元 李 彦 郑岳华
单位:中山医科大学光华口腔医院; 广州, 510060
关键词:牙种植,骨内;碳;羟基磷灰石类;牙科材料
中山医科大学学报990112
摘 要 目的:采用碳纤维增强碳复合材料(carbon fiber reinforced carbon,C/C)与羟基磷灰石(hydroxyapatite,HA)复合形成新型种植体(CCH),研究它们与骨结合界面的性质,为开发新型种植体提供实验依据。方法:将C/C和CCH种植体植入14只兔胫骨内,分别于术后4、8、16周处死动物。对种植体骨界面作扫描电镜观察、X线能谱分析。结果:扫描电镜观察到16周时C/C、CCH与植床骨组织结合紧密,未见胶原纤维,CCH孔内的HA部分被吸收,有骨组织长入。X线能谱结果表明C/C、CCH种植骨界面处有Ca、P元素的富集。结论:C/C、CCH与骨形成骨性结合界面。
, 百拇医药
中图号 R 783.1
Implantation of C/C and CCH to Bone Interface
Teng Wei Mi Naiyuan Li Yan Zheng Yuehua
(Guanghua Stomatological Hospital,Sun Yat-sen University of Medical Sciences,Guangzhou,510060)
Abstract Objective: Research the interface between C/C (carbon fiber reinforced carbon),CCH(fusional material of C/C and hydroxyapatite)implant and bone in the aim of providing experimental basis for developing a new dental implant. Methods: C/C and CCH implants were implanted the tuba of 14 rabbits which were killed at 4th,8th,16th week.The interface between implant and bone were observed with scanning electron microscope(SEM)and X-ray energy spectrum analysis(EDAX). Results: Under SEM,the implant bone interface of C/C and CCH was osseointegration,collaginous fibre was not found at 16th week,hydroxyapatite(HA) on the CCH implant surface was partly absorbed,new bone has grown into HA holes.Through EDAX:Ca,P element gathers at the interface of C/C and CCH implant. Conclusion: C/C、CCH have osseously integrated the interface with the bone.
, 百拇医药
Subject headings dental implantation,endosseous; carbon; hydroxyapatites; dental materials
碳素材料早在70年代就作为种植牙材料应用,但其与骨的界面性质一直存在较大争议。本研究采用新型航天材料碳纤维增强碳(carbon fiber reinforced carbon,C/C),并且复合羟基磷灰石(hydroxyapatite,HA)形成CCH种植体。采用扫描电镜观察和X线能谱分析,对种植体骨界面进行定性和半定量研究,综合判断C/C、CCH种植体骨界面,为开发新型国产种植牙材料提供实验依据。
1 材料和方法
1.1 实验材料
HA、C/C、CCH种植体为长5.0 mm,直径4.0 mm圆柱状。CCH种植体制备,采用机械加工技术,在C/C表面获得亚毫米级孔隙,经生物玻璃料浆与HA料浆分次在超重力场下进行填充,真空烧结,形成亚毫米级孔隙内镶嵌有HA生物活性的CCH。经红外光谱分析证实:C/C孔内HA成份和结构无改变。以上材料由华南理工大学无机材料系提供。材料经清洗消毒,备用。
, 百拇医药
1.2 实验动物
新西兰大白兔14只,雌雄各半,体质量为2~2.5 kg。
1.3 实验步骤
实验动物随机分成两组,其中一组为双侧胫骨种植。氯氨酮25 mg/kg肌注麻醉,备皮、消毒、铺巾。胫骨膝下1~4 cm处切开,分离暴露胫骨,在生理盐水冷却下,用慢速手机钻穿骨皮质(转速低于2 000 r/min,逐级扩孔至种植体直径4.0 mm,将种植体挤压入孔。每侧胫骨种植实验组C/C、CCH及对照组HA各一颗,相互间距在1.5 cm以上,分层缝合。术后补液3 d,正常饲养。
术后4、8、16周分别处死动物,取含有种植体的骨块,剖开,经4%(体积比)戊二醛固定,用10 mmol/L(pH值为7.4)磷酸缓冲液冲洗,以体积分数为50%、70%、90%、100%等级乙醇脱水(3次),用日立HCP 2型干燥机临界点干燥、装台、喷铂,日立S-510型扫描电子显微镜(SEM)观察种植体与骨结合情况。用IMIX-ⅡC型X线能谱仪(美国PGT公司)测定界面处种植体、新生骨以及正常骨3个微区内钙、磷、硫3种元素相对百分含量。
, 百拇医药
2 结 果
2.1 扫描电镜观察结果
4周时C/C与骨多点式结合,界面存在间隙,界面处可见胶原纤维、较小的钙盐结晶。CCH种植体界面形成无定形基质和较大的钙盐结晶。HA与CCH相似,界面间隙小于10 μm。
8周时C/C种植体与骨之间仍有间隙存在,比4周时明显缩小,未见胶原纤维,形成较大的钙盐结晶。CCH孔中HA略有吸收,骨组织长入C/C与HA之间。HA界面为骨性结合,钙盐结晶连成片,新骨形成较多。
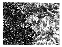
16周时C/C、CCH、HA界面都为骨性结合,界面骨组织成熟为板层状骨(图1)。CCH孔内HA部分吸收,有骨组织长入(图2)。
2.2 X线能谱分析结果(EDAX)
C/C、CCH、HA与骨界面有Ca、P元素富集,CCH、HA界面组织侧Ca值4周时即达到正常骨皮质水平,而C/C表面及界面组织侧Ca值4~16周不断增加,在16周才与正常骨皮质接近,见表1、表2。
, 百拇医药
图1 16周时扫描电镜下C/C与骨结合界面
Fig.1 interface of C/C and bone under SEM when 16 th week
the interface has matured into lamella bone
图2 16周时扫描电镜下CCH与骨结合界面
Fig.2 interface of CCH and bone under SEM when 16 th week
HA on the CCH surface is partly absorbed,new bone has grown into HA holes
, 百拇医药
表1 种植前后C/C表面Ca、P、S含量相对比值
Table 1 Relative ratio of Ca,P,S at the interface of C/C
before and after implant(%) Implant time(week)
Ca
P
S
Before implant
50.38
39.33
6.29
, 百拇医药
4
58.69
36.43
4.88
8
66.75
33.25
0.00
16
71.24
27.88
0.88
表2 界面处新生骨组织表面Ca、P、S含量相对比
, 百拇医药
Table 2 Relative ratio of Ca,P,S at the interface of new bone(%) Test item
Implant time(week)
Ca
P
S
Cortical bone
77.68
22.32
0
C/C
4
, 百拇医药
65.02
25.94
9.04
CCH
4
75.29
24.16
0.55
HA
4
78.03
21.78
0.19
, http://www.100md.com
C/C
8
70.41
26.26
3.33
CCH
8
78.35
21.40
0.25
HA
8
78.58
, 百拇医药
21.29
0.13
C/C
16
76.51
23.20
0.29
CCH
16
79.52
20.43
0.05
HA
, 百拇医药
16
79.95
19.95
0.10
3 讨 论
3.1 C/C及CCH界面性质
种植体与骨组织间的结合形式是衡量种植体生物相容性的重要评价标准。种植体和骨之间有纤维-骨性结合、骨性结合两种形式,而骨结合界面是目前公认的种植成功标志[1]。
碳种植体界面性质分歧较大,一种观点认为:从组织形态学上观察种植体与骨之间有一层较厚的纤维膜生成,界面为纤维性[2];另一种观点认为:其界面为骨性结合,骨组织可以长入碳表面的孔隙中,形成机械锁结,并从界面结合力实验中得到证实[3]。结合本实验电镜及能谱分析结果,认为C/C及CCH均能形成骨性结合,而非纤维骨性结合。4周时C/C还为纤维骨性结合,SEM见C/C种植体与骨呈多点式结合,部分存在胶原纤维及间隙。EDAX也证实此时的界面组织侧硫较多,提示界面处有胶原纤维存在。但C/C在8~16周时电镜下逐渐表现出成熟骨影像,EDAX测得界面处骨组织硫减少,钙、磷、硫比值与正常皮质骨一致,界面为骨性结合。
, 百拇医药
CCH在4周电镜下未见纤维组织,成骨现象活跃,新生骨逐渐钙化,与C/C 4周时差别较明显,到16周时成为成熟致密的密质骨。EDAX测得界面硫值极微,钙、磷富集,提示为骨性结合。
本实验主要从定性、定量两个方面综合研究种植体骨界面性质。在定性研究方面采用SEM对骨界面进行超微结构研究。EDAX属于定性和半定量分析,为界面钙化程度提供依据,但不能测定原子数低的C元素,而且EDAX受到观察标本表面形貌影响及铂元素信号干扰,尤其是对磷谱干扰较大,使得测试结果磷相对含量偏低,但还是可以鉴别C/C、CCH界面钙化程度的差别。
3.2 骨愈合机理
种植界面骨愈合机制与骨折愈合或拔牙创伤愈合机制基本相同,但种植体植入对愈合又造成一定影响。一般认为生物惰性材料对骨界面愈合过程没有干扰,但也没有促进作用;只有生物活性材料有促进骨新生的能力和加速骨愈合的作用[4]。
, http://www.100md.com
本实验CCH及HA 4周时界面成骨改变与C/C组有显著差异,这与许多文献报道表面活性陶瓷种植体比金属或惰性陶瓷较早实现骨结合是一致的。这一现象可能的机制是表面活性物质在植入后的双向成骨作用的结果,即在种植体表面和植床骨壁同时开始成骨活动。双向成骨实质是在CCH、HA植入后表面的HA微降解,释放钙、磷离子,形成磷灰石层,与骨结合,促进骨的代谢,加速造骨细胞分化,骨胶原合成和钙盐沉积的作用[5]。EDAX的结果也证实一个月时界面区形成钙、磷的富集,这些钙、磷除部分来自体液外,更多地则来源于种植体表面HA释放离子,最后形成界面生物性结合。
C/C是生物惰性材料,种植后只有单向成骨作用,即从种植骨创壁向种植体表面推进[6]。它的表面多孔形态与体液接触面积增加,相对加快摄取体液中Ca、P离子,但这种单纯靠加大面积来加速成骨作用是有限的,电镜以及EDAX都证实了C/C、CCH、HA在4周及8周时界面成骨愈合的差别。
, 百拇医药 参考文献
1 Mori H,Manabe M,Kurachi Y,et al.Osseointegration of dental implants in rabbit bone with low mineral density. J Oral Maxillofac Surg.1997,55(4):351
2 陈安玉主编.口腔种植学.成都:四川科学技术出版社,1991.60
3 Cook S D.Quantitative histologic evaluation of LTI carbon,carbon-coated aluminum oxide and uncoated aluminum oxide dental implant.J Bio Mater Res,1983,17(2):519
4 Harada Y,Wang J T,Doppalapudi V A,et al.Differential effects of different forms of hydroxyapatite and hydroxyapatite/tricalcium phosphate particulates on human monocyte/macrophages in vitro.J Biomed Mater Res,1996,31(1):19
5 Kay J F.Calcium phosphate coatings coating for dental implant current status and future potential.Den Clin of North Am,1992,36(1):2
6 Michael E,Weinlaender T.Bone growth around dental implants.Dent Clin North Am,1991,(3):35
(1998 - 03 - 21收稿 1998 - 05 - 14修回), 百拇医药
单位:中山医科大学光华口腔医院; 广州, 510060
关键词:牙种植,骨内;碳;羟基磷灰石类;牙科材料
中山医科大学学报990112
摘 要 目的:采用碳纤维增强碳复合材料(carbon fiber reinforced carbon,C/C)与羟基磷灰石(hydroxyapatite,HA)复合形成新型种植体(CCH),研究它们与骨结合界面的性质,为开发新型种植体提供实验依据。方法:将C/C和CCH种植体植入14只兔胫骨内,分别于术后4、8、16周处死动物。对种植体骨界面作扫描电镜观察、X线能谱分析。结果:扫描电镜观察到16周时C/C、CCH与植床骨组织结合紧密,未见胶原纤维,CCH孔内的HA部分被吸收,有骨组织长入。X线能谱结果表明C/C、CCH种植骨界面处有Ca、P元素的富集。结论:C/C、CCH与骨形成骨性结合界面。
, 百拇医药
中图号 R 783.1
Implantation of C/C and CCH to Bone Interface
Teng Wei Mi Naiyuan Li Yan Zheng Yuehua
(Guanghua Stomatological Hospital,Sun Yat-sen University of Medical Sciences,Guangzhou,510060)
Abstract Objective: Research the interface between C/C (carbon fiber reinforced carbon),CCH(fusional material of C/C and hydroxyapatite)implant and bone in the aim of providing experimental basis for developing a new dental implant. Methods: C/C and CCH implants were implanted the tuba of 14 rabbits which were killed at 4th,8th,16th week.The interface between implant and bone were observed with scanning electron microscope(SEM)and X-ray energy spectrum analysis(EDAX). Results: Under SEM,the implant bone interface of C/C and CCH was osseointegration,collaginous fibre was not found at 16th week,hydroxyapatite(HA) on the CCH implant surface was partly absorbed,new bone has grown into HA holes.Through EDAX:Ca,P element gathers at the interface of C/C and CCH implant. Conclusion: C/C、CCH have osseously integrated the interface with the bone.
, 百拇医药
Subject headings dental implantation,endosseous; carbon; hydroxyapatites; dental materials
碳素材料早在70年代就作为种植牙材料应用,但其与骨的界面性质一直存在较大争议。本研究采用新型航天材料碳纤维增强碳(carbon fiber reinforced carbon,C/C),并且复合羟基磷灰石(hydroxyapatite,HA)形成CCH种植体。采用扫描电镜观察和X线能谱分析,对种植体骨界面进行定性和半定量研究,综合判断C/C、CCH种植体骨界面,为开发新型国产种植牙材料提供实验依据。
1 材料和方法
1.1 实验材料
HA、C/C、CCH种植体为长5.0 mm,直径4.0 mm圆柱状。CCH种植体制备,采用机械加工技术,在C/C表面获得亚毫米级孔隙,经生物玻璃料浆与HA料浆分次在超重力场下进行填充,真空烧结,形成亚毫米级孔隙内镶嵌有HA生物活性的CCH。经红外光谱分析证实:C/C孔内HA成份和结构无改变。以上材料由华南理工大学无机材料系提供。材料经清洗消毒,备用。
, 百拇医药
1.2 实验动物
新西兰大白兔14只,雌雄各半,体质量为2~2.5 kg。
1.3 实验步骤
实验动物随机分成两组,其中一组为双侧胫骨种植。氯氨酮25 mg/kg肌注麻醉,备皮、消毒、铺巾。胫骨膝下1~4 cm处切开,分离暴露胫骨,在生理盐水冷却下,用慢速手机钻穿骨皮质(转速低于2 000 r/min,逐级扩孔至种植体直径4.0 mm,将种植体挤压入孔。每侧胫骨种植实验组C/C、CCH及对照组HA各一颗,相互间距在1.5 cm以上,分层缝合。术后补液3 d,正常饲养。
术后4、8、16周分别处死动物,取含有种植体的骨块,剖开,经4%(体积比)戊二醛固定,用10 mmol/L(pH值为7.4)磷酸缓冲液冲洗,以体积分数为50%、70%、90%、100%等级乙醇脱水(3次),用日立HCP 2型干燥机临界点干燥、装台、喷铂,日立S-510型扫描电子显微镜(SEM)观察种植体与骨结合情况。用IMIX-ⅡC型X线能谱仪(美国PGT公司)测定界面处种植体、新生骨以及正常骨3个微区内钙、磷、硫3种元素相对百分含量。
, 百拇医药
2 结 果
2.1 扫描电镜观察结果
4周时C/C与骨多点式结合,界面存在间隙,界面处可见胶原纤维、较小的钙盐结晶。CCH种植体界面形成无定形基质和较大的钙盐结晶。HA与CCH相似,界面间隙小于10 μm。
8周时C/C种植体与骨之间仍有间隙存在,比4周时明显缩小,未见胶原纤维,形成较大的钙盐结晶。CCH孔中HA略有吸收,骨组织长入C/C与HA之间。HA界面为骨性结合,钙盐结晶连成片,新骨形成较多。
16周时C/C、CCH、HA界面都为骨性结合,界面骨组织成熟为板层状骨(图1)。CCH孔内HA部分吸收,有骨组织长入(图2)。
2.2 X线能谱分析结果(EDAX)
C/C、CCH、HA与骨界面有Ca、P元素富集,CCH、HA界面组织侧Ca值4周时即达到正常骨皮质水平,而C/C表面及界面组织侧Ca值4~16周不断增加,在16周才与正常骨皮质接近,见表1、表2。
, 百拇医药
图1 16周时扫描电镜下C/C与骨结合界面
Fig.1 interface of C/C and bone under SEM when 16 th week
the interface has matured into lamella bone
图2 16周时扫描电镜下CCH与骨结合界面
Fig.2 interface of CCH and bone under SEM when 16 th week
HA on the CCH surface is partly absorbed,new bone has grown into HA holes
, 百拇医药
表1 种植前后C/C表面Ca、P、S含量相对比值
Table 1 Relative ratio of Ca,P,S at the interface of C/C
before and after implant(%) Implant time(week)
Ca
P
S
Before implant
50.38
39.33
6.29
, 百拇医药
4
58.69
36.43
4.88
8
66.75
33.25
0.00
16
71.24
27.88
0.88
表2 界面处新生骨组织表面Ca、P、S含量相对比
, 百拇医药
Table 2 Relative ratio of Ca,P,S at the interface of new bone(%) Test item
Implant time(week)
Ca
P
S
Cortical bone
77.68
22.32
0
C/C
4
, 百拇医药
65.02
25.94
9.04
CCH
4
75.29
24.16
0.55
HA
4
78.03
21.78
0.19
, http://www.100md.com
C/C
8
70.41
26.26
3.33
CCH
8
78.35
21.40
0.25
HA
8
78.58
, 百拇医药
21.29
0.13
C/C
16
76.51
23.20
0.29
CCH
16
79.52
20.43
0.05
HA
, 百拇医药
16
79.95
19.95
0.10
3 讨 论
3.1 C/C及CCH界面性质
种植体与骨组织间的结合形式是衡量种植体生物相容性的重要评价标准。种植体和骨之间有纤维-骨性结合、骨性结合两种形式,而骨结合界面是目前公认的种植成功标志[1]。
碳种植体界面性质分歧较大,一种观点认为:从组织形态学上观察种植体与骨之间有一层较厚的纤维膜生成,界面为纤维性[2];另一种观点认为:其界面为骨性结合,骨组织可以长入碳表面的孔隙中,形成机械锁结,并从界面结合力实验中得到证实[3]。结合本实验电镜及能谱分析结果,认为C/C及CCH均能形成骨性结合,而非纤维骨性结合。4周时C/C还为纤维骨性结合,SEM见C/C种植体与骨呈多点式结合,部分存在胶原纤维及间隙。EDAX也证实此时的界面组织侧硫较多,提示界面处有胶原纤维存在。但C/C在8~16周时电镜下逐渐表现出成熟骨影像,EDAX测得界面处骨组织硫减少,钙、磷、硫比值与正常皮质骨一致,界面为骨性结合。
, 百拇医药
CCH在4周电镜下未见纤维组织,成骨现象活跃,新生骨逐渐钙化,与C/C 4周时差别较明显,到16周时成为成熟致密的密质骨。EDAX测得界面硫值极微,钙、磷富集,提示为骨性结合。
本实验主要从定性、定量两个方面综合研究种植体骨界面性质。在定性研究方面采用SEM对骨界面进行超微结构研究。EDAX属于定性和半定量分析,为界面钙化程度提供依据,但不能测定原子数低的C元素,而且EDAX受到观察标本表面形貌影响及铂元素信号干扰,尤其是对磷谱干扰较大,使得测试结果磷相对含量偏低,但还是可以鉴别C/C、CCH界面钙化程度的差别。
3.2 骨愈合机理
种植界面骨愈合机制与骨折愈合或拔牙创伤愈合机制基本相同,但种植体植入对愈合又造成一定影响。一般认为生物惰性材料对骨界面愈合过程没有干扰,但也没有促进作用;只有生物活性材料有促进骨新生的能力和加速骨愈合的作用[4]。
, http://www.100md.com
本实验CCH及HA 4周时界面成骨改变与C/C组有显著差异,这与许多文献报道表面活性陶瓷种植体比金属或惰性陶瓷较早实现骨结合是一致的。这一现象可能的机制是表面活性物质在植入后的双向成骨作用的结果,即在种植体表面和植床骨壁同时开始成骨活动。双向成骨实质是在CCH、HA植入后表面的HA微降解,释放钙、磷离子,形成磷灰石层,与骨结合,促进骨的代谢,加速造骨细胞分化,骨胶原合成和钙盐沉积的作用[5]。EDAX的结果也证实一个月时界面区形成钙、磷的富集,这些钙、磷除部分来自体液外,更多地则来源于种植体表面HA释放离子,最后形成界面生物性结合。
C/C是生物惰性材料,种植后只有单向成骨作用,即从种植骨创壁向种植体表面推进[6]。它的表面多孔形态与体液接触面积增加,相对加快摄取体液中Ca、P离子,但这种单纯靠加大面积来加速成骨作用是有限的,电镜以及EDAX都证实了C/C、CCH、HA在4周及8周时界面成骨愈合的差别。
, 百拇医药 参考文献
1 Mori H,Manabe M,Kurachi Y,et al.Osseointegration of dental implants in rabbit bone with low mineral density. J Oral Maxillofac Surg.1997,55(4):351
2 陈安玉主编.口腔种植学.成都:四川科学技术出版社,1991.60
3 Cook S D.Quantitative histologic evaluation of LTI carbon,carbon-coated aluminum oxide and uncoated aluminum oxide dental implant.J Bio Mater Res,1983,17(2):519
4 Harada Y,Wang J T,Doppalapudi V A,et al.Differential effects of different forms of hydroxyapatite and hydroxyapatite/tricalcium phosphate particulates on human monocyte/macrophages in vitro.J Biomed Mater Res,1996,31(1):19
5 Kay J F.Calcium phosphate coatings coating for dental implant current status and future potential.Den Clin of North Am,1992,36(1):2
6 Michael E,Weinlaender T.Bone growth around dental implants.Dent Clin North Am,1991,(3):35
(1998 - 03 - 21收稿 1998 - 05 - 14修回), 百拇医药